Home
Projects
Projects
/
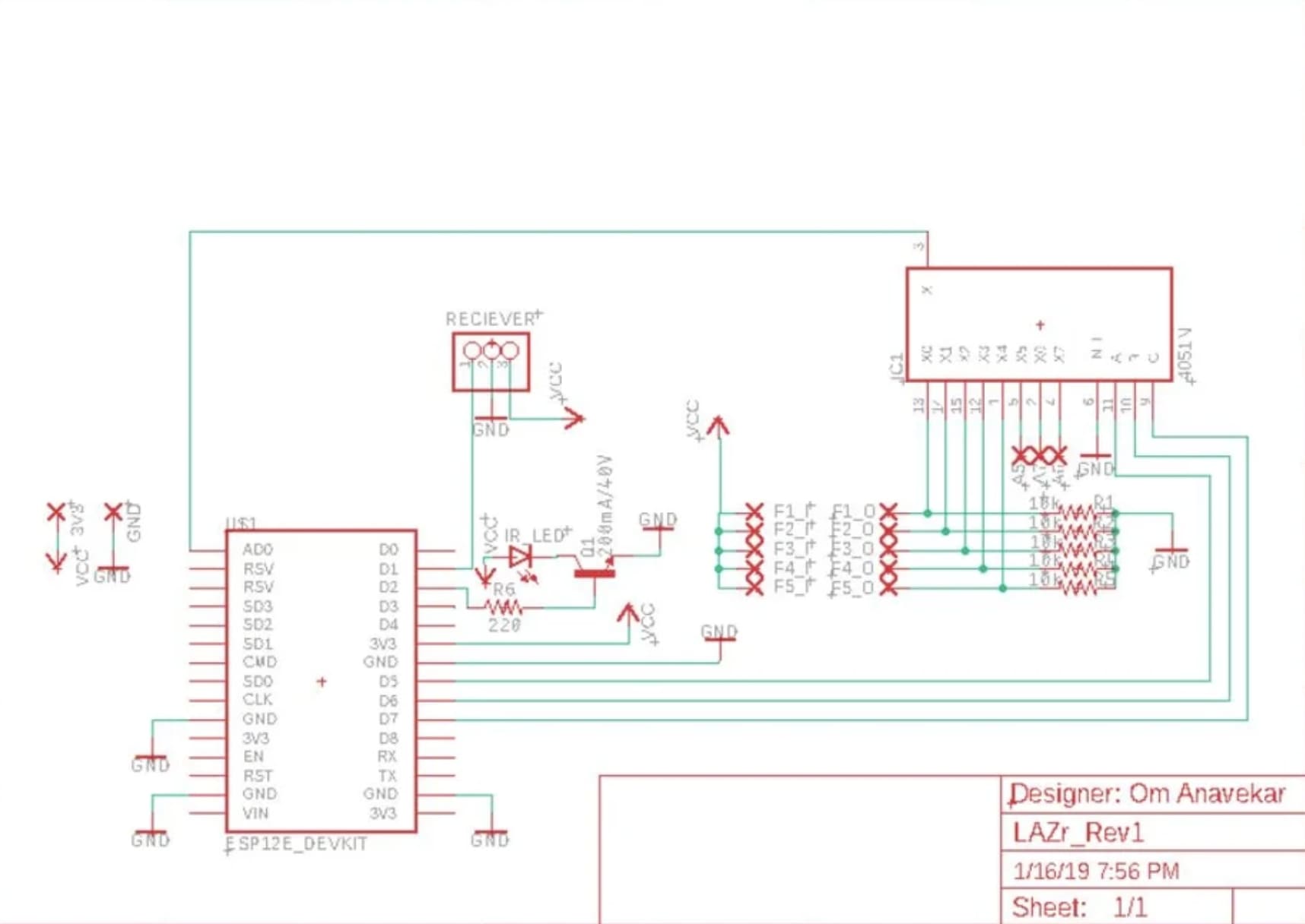
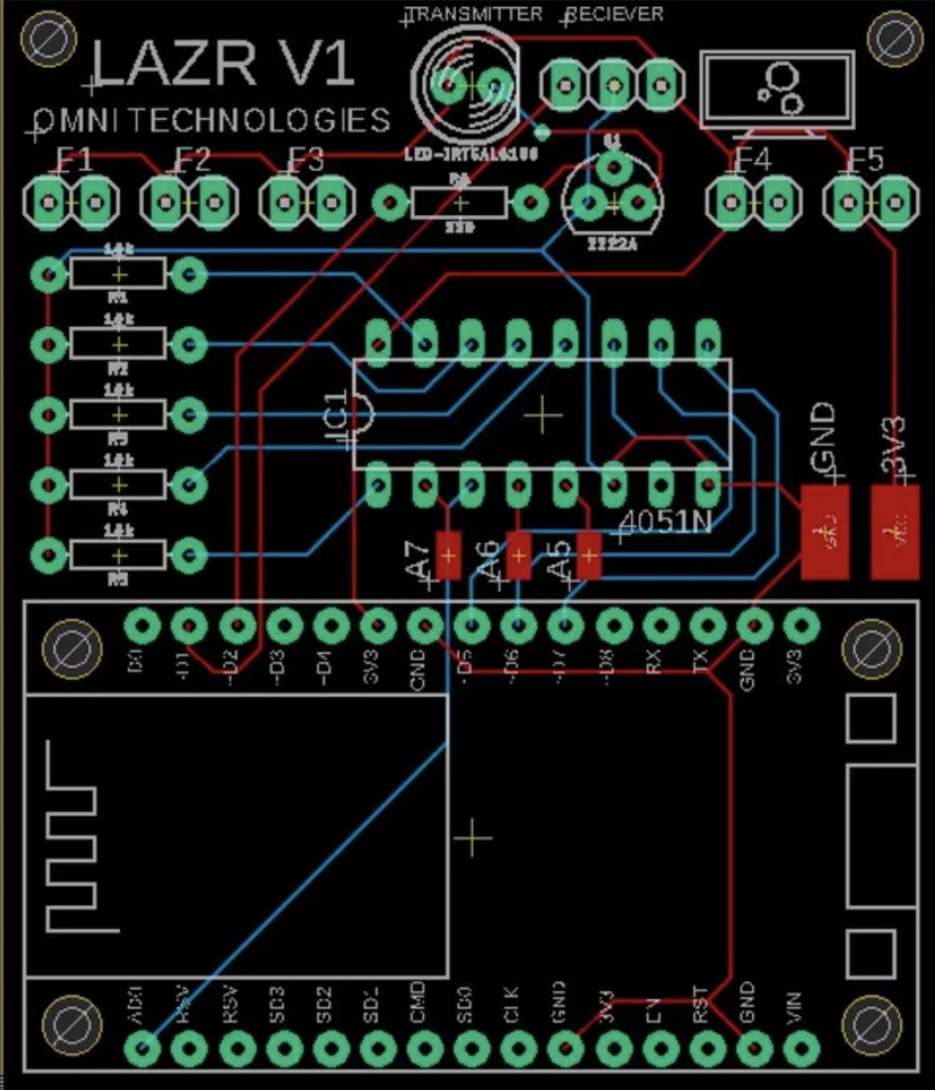
LAZR
LAZR
A gesture-based universal TV remote
×